Industrial Chiller
Focus on product stability and reliability
Thick Material | Ample power | Corrosion and oxidation resistance
Customizable for various power models ranging from
1~50HP

Circuit board
Self produced main control circuit board and drive circuit board with split structure;
using high-end components;
The port is connected by a computer cable. Accurate control.

No overstated power, powerful performance
High-quality new scroll compressor quiet operation,
low power consumption energy-efficient, rapid cooling

Large heat exchange area
V-type condensers feature a large heat exchange area,
enabling high refrigeration capacity at low system operating pressure.
enabling high refrigeration capacity at low system operating pressure.

High water removal filter
Effectively prevents POE oil degradation and filters impurities
Spray-applied corrosion-resistant epoxy resin paint

Large cross-sectionconductor
Evaporator is resistant to crystallization.
Practical blowdown and drain system makes machine maintenance a breeze

Internal threaded knurled copper tubing Increases heat transfer area

| Traditional copper brazing process Prone to oxidation |
New Copper Brazing Process Oxidation Resistance, Corrosion Resistance, Leak Prevention |
Excellent performance, strongin the bones
布局图-10-1.jpg)
| ▲Chiller (Air-cooled direct cooling) layout diagram | |||
| ①Chilled water Inlet | ②Chilled water Outlet | ③Ball valve | ④Ball valve |
| ⑤Circulating pump | ⑥Ball valve | ⑦Bottom valve | ⑧Sinks |
布局图-11-1.jpg)
| ▲Chiller (Air-cooled Indirect cooling) layout diagram | |||
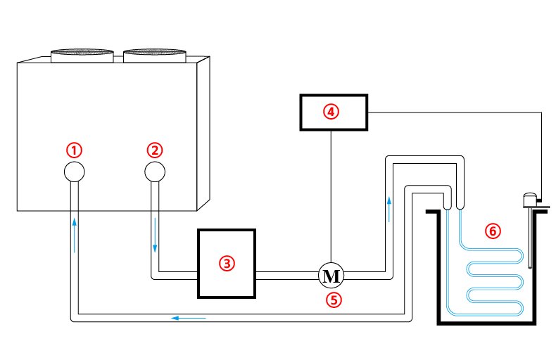
| ①Chilled water Inlet | ②Chilled water Outlet | ③Water tank | ④Thermostat |
| ⑤Freezing cycle | ⑥Refrigeration | ||
布局图-12-1.jpg)
| ▲Chiller (Air-cooled Built-in water tank) layout diagram | |||
| ①Full water | ②Add water | ③Sewage | ④Cooling water |
| ⑤Cooling water inlet | ⑥Thermostat | ⑦Freezing cycle | ⑧Refrigeration |
Chiller configuration table
| Name | Model Specifications | Quantity |
| Compressor | YH307A1-100 | 2 PCS |
| Input power(7.5KW) | ||
| Vortex | ||
| Evaporator | 316L/Ti shell tube | 1 PC |
| Inlet/Outlet Pipe(φ50) | ||
| Drier filter | EK 084 S | 1 PC |
| Condenser | Shell-and-tube | 1 PC |
| Inlet/Outlet Pipe(φ50) | ||
| Throttling device | Capillary tube | 1 PC |
| Fan | YWF4D-400S | 1 PC |
| Air volume(4546M³/H) | ||
| Input power(0.15KW) | ||
| Water pump(Optional) | 1HP | 1 PC |
| Input power(0.25KW) | ||
| Head (15M) | ||
| Pressure switch | HPL 830E | 1 PC |
| Pressure gauge | YNT60 3.8Mpa | 1 PC |
| Refrigerant pipe | Red Copper | 1 PC |
| Control system | Digital display controller | 1 PC |
| Motherboard | GW532A | 1 PC |
| Contactor | GMC-18A | 2 PCS |
| Thermistor | PT100 | 1 PC |
| Pipe diameter | Unit inlet and outlet | 1 PC |
| Water flow switch | 0023 | 1 PC |
| Thermal insulation | Flame-retardant | 1 PC |












