15-20-25HP Water-cooled Chiller

Model 20HP Cooling method Water-cooded
Input power 380V 50Hz Refrigerant R22 or R407C
Compressor Vortex Cooling power 60000W
Pump Optional Size(L*W*H) 1600*860*1420mm
Weight 510.0KG Scope of use -10~32℃
Safety protection Hydraulic pressure, electrical leakage, refrigerant abnormality, thermal overload, gas overheating, reverse phase power supply, and phase loss protection.

 

Industrial Chiller

Focus on product stability and reliability
Thick Material | Ample power | Corrosion and oxidation resistance.

Customizable for various power models ranging from

1~50HP

No overstated power, powerful performance

High-quality new scroll compressor quiet operation,
low power consumption energy-efficient, rapid cooling


Large heat exchange area

Thickened copper tubes with internal and external threads maximize heat exchange area,
minimizing cooling loss.
Smooth inner surface reduces water pressure and facilitates maintenance.


High water removal filter

Effectively prevents POE oil degradation and filters impurities
Spray-applied corrosion-resistant epoxy resin paint

 

Large cross-sectionconductor

Evaporator is resistant to crystallization.
Practical blowdown and drain system makes machine maintenance a breeze.

 

Circuit board

Self produced main control circuit board and drive circuit board with split structure;
using high-end components;
The port is connected by a computer cable. Accurate control.

Common Copper
Welding Processes Prone to moisture damage or corrosion
Kehong Design:
Moisture-proof and corrosion-resistant after sealing.

Internal threaded knurled copper tubing Increases heat transfer area After sealing by Kehong design Moisture-proof and corrosion-resistant

Traditional copper brazing process
Prone to oxidation
New Copper Brazing Process
Oxidation Resistance, Corrosion Resistance, Leak Prevention

Reinforcement with U-Channel Steel

Enhances the base’s load-bearing capacity and ensures the frame is sturdy and stable

 

Excellent performance, strongin the bones

▲Chiller (water-cooled direct cooling) layout diagram

A Cooling tower B Chiller C Sinks
Fan Refill port Outfall
Inlet Outlet Cooling water Inlet
Ball valve Cooling water Inlet Ball valve
Cooling pump Ball valve Chilled water Inlet
Chilled water Outlet Ball valve Circulating pump
Ball valve Ball valve Bottom valve

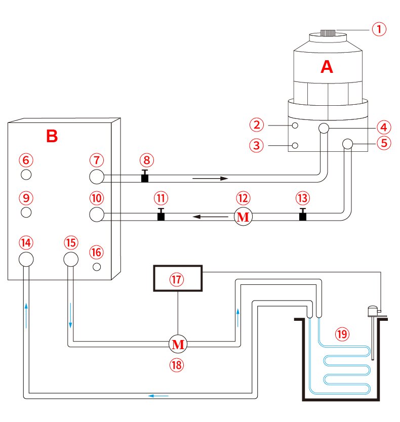
▲Water-cooled indirect cooling with integrated water tank layout

A Cooling tower B Chiller Fan
Refill port Outfall Inlet
Outlet Full water Cooling water inlet
Ball valve Add water Cooling water Outlet
Ball valve Cooling pump Ball valve
Chilled water inlet Chilled water outlet Sewage
Thermostat  ⑱ Freezing cycle Refrigeration

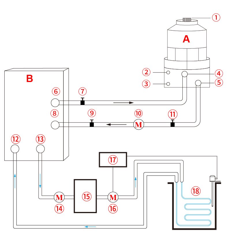
▲Water-cooled indirect cooling with external water tank layout

A Cooling tower B Chiller Fan
Refill port Outfall Inlet
Outlet Full water Cooling water Outlet
Chilled water inlet Ball valve Cooling pump
Ball valve Chilled water inlet Chilled water outlet
Water tank circulation Water tank Thermostat
Freezing cycle Refrigeration

Chiller configuration table
Name Model Specifications Quantity
Compressor YH307A1-100 2 PCS
 Input power(7.5KW)
Vortex
Evaporator 316L/Ti shell tube 1 PC
Inlet/Outlet Pipe(φ50)
Drier filter EK 084 S 1 PC
Condenser Shell-and-tube 1 PC
Inlet/Outlet Pipe(φ50)
Throttling device Capillary tube 1 PC
Fan YWF4D-550S 1 PC
 Rotational speed (1380R/min)
Input power(0.27KW)
Water pump(Optional) 1HP 1 PC
Input power(0.25KW)
Head (15M)
Pressure switch HPL 830E 1 PC
Pressure gauge YNT60  3.8Mpa 1 PC
Refrigerant pipe Red Copper 1 PC
Control system Digital display controller 1 PC
Motherboard GW532A 1 PC
Contactor GMC-18A 2 PCS
Thermistor PT100 1 PC
Pipe diameter Unit inlet and outlet 1 PC
Water flow switch 0023 1 PC
Thermal insulation Flame-retardant 1 PC